WZE-3 3F Trójfazowy licznik zużycia energii LCD 80A F&F
Licznik zużycia energii
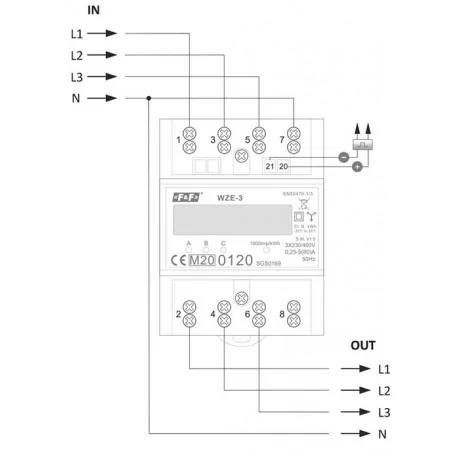
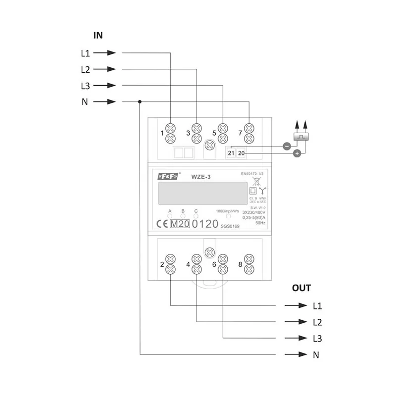
Licznik zużycia energii elektrycznej WZE-3 marki F&F, jest statycznym (elektronicznym) wzorcowanym licznikiem energii elektrycznej prądu przemiennego trójfazowego w układzie bezpośrednim. Licznik posiada certyfikat zgodności z MID. Cyfry po przecinku oznaczają części setne (.01 KWh =10Wh). Specjalny układ elektroniczny pod wpływem przepływającego prądu i przyłożonego napięcia w każdej fazie generuje impulsy w ilości proporcjonalnej do pobieranej energii elektrycznej w tej fazie. Pobór energii w fazie sygnalizowany jest miganiem odpowiedniej diody LED (L1, L2, L3). Suma impulsów z trzech faz sygnalizowana miganiem diody LED (800imp/kWh) przeliczana jest na energię pobraną w całym układzie trójfazowym, a jej wartość wskazywania jest przez segmentowy wyświetlacz LCD
Zgodność:
Certyfikat MID 2014/32/EU nr 0120/SGS0169
Licznik posiada wyjście impulsowe SO+ - SO-. Pozwala to na podłączenie innego urządzenia impulsowego sczytującego (SO) generowane impulsy przez licznik. Do poprawnej pracy licznika nie jest wymagane podłączenie dodatkowego urządzenia. Licznik posiada możliwość plombowania osłon zacisków wejściowych i wyjściowych uniemożliwiające zrobienie obejścia licznika.
Parametry:
- Indeks: WZE-3
- Producent: F&F
- Rodzaj: Licznik zużycia energii
- Typ: Trójfazowy
- Zgodność: Dyrektywa MID 2014/32/EU
- Napięcie odniesienia: 3x230/400 V+N
- Prąd bazowy: 0,25÷5 A
- Prąd maksymalny: 80A
- Minimalny prąd mierzony: 0,04A
- Pobór własny licznika: 10 VA; 2W
- Zakres wskazań liczydła: 0÷999999,99 kWh
- Stała licznika: (1Wh/imp) 100 imp/kWh
- Sygnalizacja sczytywania: LED czerwona
- Wyjście impulsowe SO+ SO-: Otwarty kolektor
- Napięcie podłączenia SO+ SO-: maks. 27V DC
- Prą podłączenia SO+ SO-: maks. 27mA
- Czas impulsu SO+ SO-: 35ms
- Klasa dokładności: B
- Sygnalizacja poboru prądu: 3zLED czerwona
- Przyłącze: zaciski śrubowe 16mm²
- Temperatura pracy: -20÷50°C
- Wymiary: 4,5 modułu (75mm)
- Montaż: Na szynie 35mm
- Stopień ochronny: IP20
- Gwarancja producenta

Wysyłka towaru do wybranego paczkomatu InPost. Czas dostawy - 1-2 dni robocze

Wysyłka towaru do wybranego paczkomatu InPost za pobraniem. Czas dostawy do 48h.

Dostawa pod wybrany adres zajmie ok. 48h (w dni robocze), jeśli zamówienie zostanie złożone do 11.00

Dostawa za pobraniem pod wybrany adres zajmie do 48h (w dni robocze), jeśli zamówienie zostanie złożone do 12.00

DPD Krajowa (DPD Classic)

DPD Krajowa za pobraniem (COD)

Czas doręczenia wynosi około 2 dni robocze ( jeśli zamówienie złożone jest do godz: 12:00 )

Czas dostawy wynosi około 2 dni robocze

2-3 dni robocze W automacie, stacji paliw ORLEN, kiosku RUCHu i punkcie partnerskim

Odbierz paczkę w wybranym przez Ciebie punkcie.

Dostawa pod wybrany adres kurierem Pocztex

Odbierz paczkę w wybranym przez Ciebie punkcie

Dostawa za pobraniem pod wybrany adres kurierem Pocztex
Zobacz także